首頁
産品中心
锂電池快充放管理芯片
多口輸出動态功率調節芯片
快充協議芯片
無線充系列
加密IC
ACDC
應用方案
資訊中心
關于智融
加入智融
中
/
EN
聯系我們
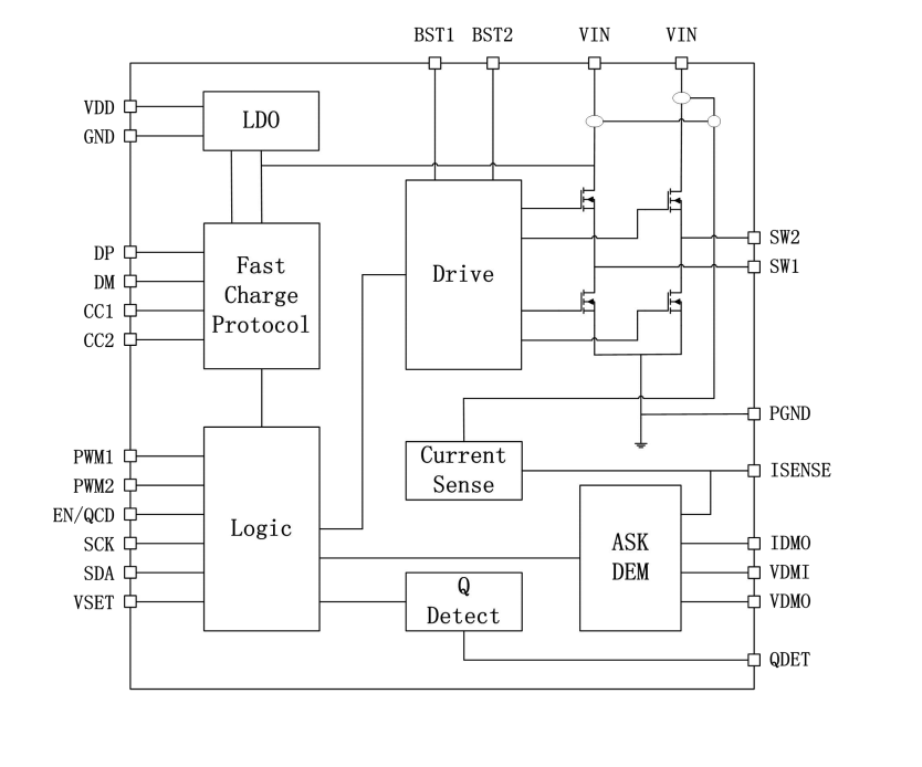
集成輸入快充的15W無線充發射端PowerStage芯片
SW5001是一款高集成度的無線充發射端PowerStage芯片,其集成了高效率的全橋變換器及無損電流采樣、PPS/PD/FCP/SCP/AFC等多種輸入快充協議、電壓及電流兩路ASK解碼電路、Q值檢測電路、内部PWM發生器及FSK調制電路。配合MCU及外圍少量的器件,即可組成完整的高性能無線充發射端解決方案。
應用領域
無線充發射端
規格
功能框圖
查看PDF詳細資料
下載資料包
填寫以下信息即可獲取資料包。
獲取驗證碼
提交留言